磷化工行业市场前景及现状如何?国内的数据显示,我国已查明磷矿资源储量212.1亿吨,共有磷矿产地447处,其中大型72处,中型137处,分布在27个省、市、自治区,主要分布在四个省的八个区域:云南滇池,贵州开阳、瓮福,四川金河、清平、马边,湖北宜昌、胡集、保康。
磷化工行业市场前景及现状如何?国内的数据显示,我国已查明磷矿资源储量212.1亿吨,共有磷矿产地447处,其中大型72处,中型137处,分布在27个省、市、自治区,主要分布在四个省的八个区域:云南滇池,贵州开阳、瓮福,四川金河、清平、马边,湖北宜昌、胡集、保康。
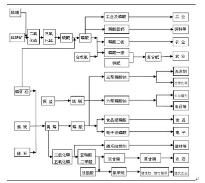
磷化工是以磷矿石为原料,经过一系列化学反应,制备含磷化工产品的工业。一般包括湿法路线和干法路线。湿法路线是由磷矿石与硫酸反应制备湿法磷酸及磷肥等对杂质要求不高产品的过程;干法路线一般是由磷矿石与硅石、焦炭反应,先制备黄磷,再生产磷酸盐、有机磷化物等产品的过程。
中国磷矿资源比较丰富,磷化工行业已探明资源总量仅次于摩洛哥,位居世界第二位。此四省的磷矿储量占全国的近75%。富矿主要集中在贵州、云南、湖北和四川四省,贵州开阳集中了我国大部分富矿,其品位在33%以上的优质矿储量占全国的78%。中国磷矿资源虽然较多,但是可利用的基础储量仅占资源总储量的24%,而难以利用的资源量占76%,可开采矿只能采至2020年。
磷化学工业是以磷矿石为原料,经过物理化学加工制得各种含磷制品的工业。主要包括磷肥、含磷农药、元素磷、磷酸、磷化物、磷酸盐、有机磷化物等。磷化学工业简称磷化工。
图表:磷化工行业产业链
数据来源:中研普华
大环境上,"一带一路"的战略实施,推动了中国与亚欧非的合作发展。磷化工行业处于亚洲的地理中心的云南省,北上连接丝绸之路经济带,南下连接海上丝绸之路,具有丰富的磷矿资源。我国磷肥产业增长飞快,从进口磷肥的国家逐渐转变成净出口国,拓宽产品出口是必要的选择。"一带一路"可以把中国西部的省份与东南亚、南亚、西亚的市场联系起来,并且可以延伸至欧洲。以农业为传统主导产业的中亚,磷肥市场独好的东南亚,以及大量进口二铵的印度所处的南亚,都是"一带一路"所覆盖的地方。这为增加磷肥产品出口提供有利的途径,战略性地开拓更大的磷肥市场。
磷矿及磷化工行业产业链特征分析
世界开采的磷矿石80%~85%用于生产磷肥,我国是世界最大的磷矿开采者、最大的磷肥生产者与使用者,我国合理利用磷资源,关系世界磷资源的耗竭速度。目前,除了稳定的磷酸盐矿供应外,还没有其他切实可行的办法能保证磷的供应,从土壤、河流和海洋中回收磷的成本和代价远高于矿质磷资源,因此,只有珍视现有的矿质磷资源,尽可能地推迟其耗竭速度。
为实现我国磷资源可持续利用,首先,应减少磷肥生产总量,逐步将我国磷肥年生产量控制在1000万吨(折五氧化二磷)之内;其次,调整现行磷肥结构:磷化工从目前占磷肥总产量86%将至50%左右;使过磷酸钙、普钙基脲硫酸复合肥、新型灌溉肥等酸法低浓度磷肥从目前占磷肥总产量的12%上升至30%左右;使钙镁磷肥、熔融磷钾肥等热法低浓度磷肥从目前占磷肥总量的2%上升到20%左右。
在激烈的磷化工行业市场竞争中,企业及投资者能否做出适时有效的市场决策是制胜的关键。行业研究报告就是为了解行情、分析环境提供依据,是企业了解市场和把握发展方向的重要手段,是辅助企业决策的重要工具。报告根据行业监测统计数据指标体系,研究一定时期内中国磷化工行业现状、变化及趋势。
更多磷化工市场调研消息,可以点击查看中研普华产业研究院的《2022-2027年中国磷化工行业市场全景调研及投资价值评估研究报告》。

关注公众号
免费获取更多报告节选
免费咨询行业专家

2022-2027年教育网站行业市场深度分析及发展规划咨询综合研究报告
教育网站行业研究报告中的教育网站行业数据分析以权威的国家统计数据为基础,采用宏观和微观相结合的分析方式,利用科学的统计分析方法,在描述行业概貌的同时,对教育网站行业进行细化分析,重...
查看详情
加大粮食绿色高效烘干投入农业农村部在对十三届全国人大五次会议第5921号建议的答复中指出,将重点推进粮食减损绿色烘...
爆款产品再现 私募大佬“逆市”发行据报道称,6月21日,私募大佬管华雨的新产品公开发售,仅上午的销售额就突破15亿2...
年内多家银行高管股东出手增持据媒体报道称,同花顺数据显示,截至6月21日,年内A股共有10家银行高管已实施增持,增持...
近日,通过海南云仓酒庄有限公司(云仓酒庄)的资料提交,中国酒业协会的审核,云仓酒庄正式成为中国酒业协会的会员单...
香蕉行业市场需求如何?香蕉行业市场现状及前景分析全球共有约130个国家(地区)种植香蕉,为全世界约4亿人提供食物和5...
现如今小家电产品越来越丰富,相信很多人都煮蛋器都不陌生,煮蛋器主要用于快速方便煮鸡蛋,也可以做鸡蛋羹。煮蛋器市...